철근콘크리트 구조체가 큰 외력을 받게 되면 철근과 콘크리트는 분리될 수 있다. 철근을 콘크리트로부터 쉽게 분리되지 않도록 철근을 충분한 깊이로 정착해야한다.
1. 철근의 정착길이
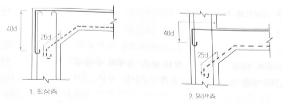
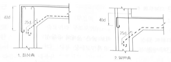
- 큰 인장력을 받는 곳의 정착길이는 철근 지름의 40배 이상, 압축철근 및 작은 인장력을 받는 곳의 정착길이는 철근 지름의 25배 이상으로 한다.
- 정착길이는 후크 중심간의 거리로 하며, 후크의 길이는 정착길이에 포함하지 않는다.
- 철근의 정착은 기둥이나 보의 중심을 벗어난 위치에 둔다




철근의 정착 위치
- 기둥의 주근은 기초에 정착한다
- 보의 주근은 기둥에 정착한다
- 작은보의 주근은 큰보에 정착한다
- 직교하는 단부 보 밑에 기둥이 없을 때에는 보 상호간에 정착한다.
- 지중보의 주근은 기초 또는 기둥에 정착한다.
- 벽 철근은 기둥, 보, 기초 또는 바닥판에 정착한다
- 바닥철근은 보 또는 벽체에 정착한다.
2023.05.19 - [건축 시공학] - 철근의 이음 및 정착 - 겹침이음, 기계식이음
철근의 이음 및 정착 - 겹침이음, 기계식이음
철근의 이음 철근은 콘크리트와 일체가 되어 구조체의 뼈대 역할을 하게 되므로 철근의 끊어짐이 없이 연결되어 있는 상태가 구조안전성 측면에서 가장 좋다. 그러나 철근은 생산·운반·시공의
hy-mouse.tistory.com
2023.05.20 - [건축 시공학] - 철근의 이음 및 정착 - 용접이음, cad welding, G-loc splice
철근의 이음 및 정착 - 용접이음, cad welding, G-loc splice
2023.05.19 - [건축 시공학] - 철근의 이음 및 정착 - 겹침이음, 기계식이음 용접이음 아크용접 용접봉과 철근에 전류를 통하게 하여 용접봉의 끝부분을 녹여 철근에 용착한다. 플러시 버트 용접 전
hy-mouse.tistory.com
'건축 시공학' 카테고리의 다른 글
| 철근 배근의 원칙 (0) | 2023.05.24 |
|---|---|
| 철근 피복의 두께 확보 목적 (0) | 2023.05.23 |
| 철근의 이음 위치 (0) | 2023.05.21 |
| 철근의 이음 및 정착 - 용접이음, cad welding, G-loc splice (0) | 2023.05.20 |
| 철근의 이음 및 정착 - 겹침이음, 기계식이음 (0) | 2023.05.19 |
댓글